Доброго времени суток.
Коллеги, накануне узнал что наш с вами пепелац может быть оборудован замечательными системами: Active city stop системой удержания в полосе движения и активным круизом. К сожалению, по трагическому стечению обстоятельств они не доступны для заказа в РФ. В общем хочется обсудить возможность их установки. Что бы дать какой то старт, выложу то, что я накопал.
Все обсуждение применительно к ff 3 хэтч 2.0 powershift и самое важное, у вас должна быть приборка с большим экраном
общие вопросы:
1) отличаются ли гем модули? В зависимости от комплектации?
Active city stop
По официальной версии в РФ данная система не поставляется из за того что она работает на определении номерного знака и задних фонарей, которые по мнению FMC у нас очень загрязнены
Возможность установки
выложен сервис мануал там есть описание этой, и других систем, из этого описания можно понять что для работы этой системы нам не хватает камеры (на экзисте номер 1779700) корпуса под нее (1781182 + 1781171) и проводки (1722956) и совсем маленького проводка (1722013) Если все это хозяйство купить на экзисте то получиться приблизительно 25000 т.р. если проводку лепить самому то 19000т.р.
Собственно вопросы:
1) возможность активировать систему через ADS (есть ли там возможность включения этих опций?)
2) если через ADS не реально то через диллерский сканер?
3) не упустил ли я каких-нибудь деталей?
Система предупреждения схода с полосы+система контроля за усталостью водителя + система распознавания дорожных знаков
Возможность установки
Описание всех этих систем так же есть в файле из него следует что для работы этих систем нам нужно:
1)камера (1779891)
2)нужна другая часовая пружина (1156089)
3)датчик положения рулевого колеса (1758680)
4)левый подрулевой переключатель (5133412)
проводка подойдет та что мы взяли к Active city stop так же подойдет и кожух
причем пункты 2,3,4 продают в одном флаконе на нашем же сайте, объявление
Итого получается тоже около 25т.р.
Вопросы то тут собственно те же
1) возможность активировать систему через диллерский сканер?
2) не упустил ли я каких-нибудь деталей?
Спасибо за то что уделили моей теме время, надеюсь на конструктивный разговор

oksibutch
2 января 2013
Система Active City Stop и система удержания в полосе движения
Vovan_mail
29 декабря 2020
|
k-jfk: |
|
если по кнопке на переключателе функция контроля полосы в целом выключается/отключается нормально. |
понимаешь в чем соль, программно мы изменили режим, и кнопка включения походу то не удержания а должна стоять на руле в кнопках круиза, разве нет и иметь определенное сопротивление цепи например 201 оМ, а может 210, 240, 360, 470… итп или вообще 10 оМ. Из видео можно понять где она стоит и вместо какой кнопки, скорее всего вместо ЛИМ- понятно какая линия вот сидеть и подбирать резистор в цепь этой кнопки, чтоб получить полноценную активацию функции
k-jfk
29 декабря 2020mobile
1
Vovan_mail
Если я верно понял главная проблема это не активация, в конце концов ее можно включить раз и на всегда в директ-конфигах, главная проблема что на ресте она в принципе не работает? Нет этого куска кода в блоках рестовых?
возможно, они включили код в раннюю версию разрабатываемой прошивки PSCM (некоторые ушли на рынок), но затем они удалили его в более поздних версиях прошивки.
А пока кто-нибудь успешно прошивал с cv6t на bv6t для pscm? поделитесь пожалуйста шагами и проблемами? Я хотел бы попробовать, но беспокоюсь о том, чтобы заблокировать pscm.
![]()
Q-cent
31 декабря 2020mobile
storage01
Мне прошивали в bv6t. Перестаёт работать удержание полностью. Висит несовместимость конфигурации.
storage01
31 декабря 2020mobile
Q-cent
вы написали eeprom, как предлагали другие участники? также удалось без проблем вернуться к cv6t, как и раньше?
![]()
Q-cent
31 декабря 2020mobile
storage01
Да, всё верно.
andr-basalaev
3 января 2021mobile
Всем день добрый! Подскажите пожалуйста

— фокус 3 рестайлинг, после замены лобового стекла выскакивает ошибка актив сити стоп- датчик заблокирован!!! Ошибка то есть , то нет. Разъём отключали соответственно при замене. Может камеру как то калибровать нужно под новое стекло? Оно вроде чуть темнее(атермальное)!
![]()
andr-basalaev
Мусора нет под стеклом? Обычно такая ошибка когда стекло грязное.
![]()
karlon3
3 января 2021mobile
|
andr-basalaev: |
|
Всем день добрый! Подскажите пожалуйста |
В as-build стекло поправьте, если оно отличается от того которое стояло до этого
andr-basalaev
4 января 2021mobile
cusco
Стекло чистое !
andr-basalaev
4 января 2021mobile
karlon3
Сегодня попробую, спасибо. Если подъезжаю к стене, гаражу, дому и т.д. передом соответственно- ошибка уходит, а когда спереди всё свободно- опять выскакивает!
sgakcs13
4 января 2021mobile
O_zone
Привет, повылазили те же ошибки при подключении лидара ,как решал?
sgakcs13
4 января 2021mobile
Подскажите, при подключение лидара эти ошибки

andr-basalaev
4 января 2021mobile
1
cusco
Ещё раз спасибо, снял всё таки камеру- там стекло мутное было, влажная салфетка ток грязь взяла. Теперь вроде работает хорошо

andr-basalaev
4 января 2021mobile

Может ещё подскажите для чего нижний датчик? Или это и есть вся система сити стоп?
sgakcs13
4 января 2021mobile

zhuravlyovaa
Привет,подскажи как справились с ошибками от лидара?
![]()
karlon3
4 января 2021mobile
|
sgakcs13: |
|
zhuravlyovaa |
Вы лишнего навключали, еще и адаптивный круиз
![]()
zhuravlyovaa
4 января 2021
| цитата: |
|
Привет,подскажи как справились с ошибками от лидара? |
До сих пор не справился. Машина у жены.
sgakcs13
4 января 2021mobile
karlon3
Включил в city safety режим городской 1, сделал инициализацию абс, и все
![]()
karlon3
4 января 2021mobile
|
sgakcs13: |
|
Включил в city safety режим городской 1, сделал инициализацию абс, и все |
Рест, дорест? Esp? Как в шапке смотрели?
sgakcs13
4 января 2021mobile
karlon3
Рест, есть автопарковка. Подключено все точно
![]()
Q-cent
4 января 2021mobile
sgakcs13
В asbuilt BCM надо поправить круиз — #23 и #97
sgakcs13
5 января 2021mobile
karlon3
, с утра заметил что пока подключен лидар не работает подсветка салона
sgakcs13
5 января 2021mobile
Подскажите пожалуйста схему подключения для рестайлинга. Acs
![]()
karlon3
5 января 2021mobile
1
|
sgakcs13: |
|
Подскажите пожалуйста схему подключения для рестайлинга. Acs |
Как и на доресте.

Я себе рестовый в дорест корпус с доработками поставил
sgakcs13
5 января 2021mobile
karlon3
У меня нет + в пине 1 пассажирской стойки
sgakcs13
7 января 2021
привет, хочу поставить камеру распознавания знаков на рестайлинг. подскажите есть разница на какой машине стояла? ( куга, эскейп?)
zhuravlyovaa
поменяй местами кан шину, у меня заработал. были те же ошибки
sgakcs13
У меня на 3 фокусе рест от куги рест без перепрошивки работала
![]()
karlon3
7 января 2021mobile
|
sgakcs13: |
|
привет, хочу поставить камеру распознавания знаков на рестайлинг. подскажите есть разница на какой машине стояла? ( куга, эскейп?) |
Калибровку сделать надо будет. Разница в высоте установки, но можно забить.
1 человек сейчас в теме
Закончил я вчера наконец-то собирать эту систему. Точнее закончил ещё на выходных, но вот только вчера завершились работы по её активации и тестированию =)
Отправной точкой для её внедрения стала вынужденная замена лобового стекла. Звёзды так встали, что стекло мне досталось от рестайла и, естественно, с рестайловым лидаром. По этой причине пришлось рестайлизировать и BCM.
Собственно оставалось только заменить задние датчики ABS на те, что с контролем направления вращения (под автопарковку). Это оттянуло финишный инсталл ещё на пол-года.
В общем сподобился я таки приобрести эти датчики. За подгон спасибо Лёхе (RedPepper88).
Обращаю внимание на то обстоятельство, что дорестайловые датчики по коду 1756081 за десятьтыщщмильёнов денег больше заказывать нет смысла! Появились датчики от рестайла по коду 2070182 за вполне вменяемую сумму… но я всё равно купил с разбора, сэкономив цельную тыщщщу! =)
Вот они:
Заменить их оказалось не так-то легко… учитывая отсутствие ямы/эстакады. Места там трудноподлазные да ещё и с трёхсантиметровыми земельно-глиняно-песочными отложениями.
Кароч расположены они с внутренней стороны ступицы и держатся на одном винтике.
Казалось бы что может быть сложного скинуть с него разъём, открутить винт и заменить, совершая те же манипуляции в обратной последовательности? а то, что винты эти посажены на КРАСНЫЙ! резьбовой герметик!
Учитывая это обстоятельство нужно: тщательно очистить посадочное место под биту в этом винте и хорошенько навалиться на инструмент для откручивания (нужно использовать вороток… отвёрткой не вариант). Ввиду того, что всё это происходит в положении лёжа и со всех сторон мешают рычаги и пружины подвески, это сделать, мягко говоря, не просто. Да и снять разъём с установленного датчика тож целая проблема. Первый кое как, а второй вообще решил откручивать прям с разъёмом… когда датчик в руках он достаточно просто снимается.
Потом один из этих винтов упал куда-то в кулак… там оказалось много потайных ниш и полостей))) поэтому на его поиски тоже была потрачена куча времени.
В общем хапнул я «положительных» эмоций с их заменой =)
ABS разумеется сразу начала грозить пальчиком.
По поводу помощи при подъёме в гору, контроля давления в шинах, да и в целом по работе ESC вопросов как бы нет… но вот каким боком к этому относится ручник, пиктограмма которого так же горела атттским красным пламенем в любом его положении, мне до сих пор не понятно…
Затем прописали наличие датчиков с направлением вращения, наличие самой системы контроля дистанции до, расположенных впереди, объектов и инициализировали ABS. Тут, как обычно, меня неоценимо выручил Славка (Acid-Burn). В результате этих манипуляций в меню БК появились заветные букаффки.
Ну а дальше самое интересное! — Тесты! =)
В качестве подопытного, Славкой была собрана полномасштабная модель автомобиля немецкой сборки XD
Побаловались немного, помяли ему всю корму, оторвали номер и решили, что тестить на грунте хреновая затея. Поэтому ближе к вечеру переместились на большую и пустую парковку.
Попинав гансомобиль стало понятно, что наличие световозвращающих элементов (номера, полоски на жилетах и т.п.) на объекте не обязательно, но, как показала практика, ЖЕЛАТЕЛЬНО!
Подробнее о технологии ЛИДАР можно почитать в википедии. Настоятельно рекомендую это сделать всем особо смышлёным перед тем как пускаться в дискуссию с пеной у рта…
Ну а дальше немного заездов:
Заезд номер раз.
Как видите автомобиль даже не пытался придпринять никаких-либо действий по самоостановке. Поэтому далее всё-таки была накинута жилетка.
Заезд номер два.
Скорость на момент контакта 20км/ч
Заезд номер три.
Скорость на момент контакта 26км/ч
Заезд номер четыре.
Скорость на момент контакта 30км/ч
Заезд номер пять.
Эмитация нахождения на проезжей части туловища человеческой особи.
Скорость на момент контакта порядка 25 км/ч
Резюмируем: какоэто говно! =)))
Если зазеваться на перекрёстке, то от контакта конечно убережёт… в остальных случаях рассчитывать можно только на смягчение последствий столкновения.
Тут конечно нужно учитывать несколько обстоятельств.
Отрицательные:
— дорожное покрытие всё-таки мокрое
— передняя резя совершенно лысая
Положительные:
— 300мм передние тормоза при 1,6л
— совершенно новые диски и колодки
— абсолютно пустой автомобиль… от слова совсем. Внутри из салона ток торпедо и два передних сиденья.
К слову сказать дизельная Volvo XC70 третьей генерации, которая присутствовала с нами на грунтовых тестах, оттормаживалась значительно более эффективно! Расстояние до объекта при прочих равных было 1-2 локтя, в то время как я сносил все препятствия.
Принцип действия умной системы автоматического торможения машины при возникновении препятствия под названием Active City Stop.

Содержание:
- Принцип действия системы автоматического торможения
- Работа Active City Stop в режиме реального времени
- Недостатки ACS
- Цена ACS
Система автоматического торможения (Active City Stop) является собственной разработкой компании Форд, которая предназначена для уменьшения риска возникновения ДТП. Официально было заявлено, что подобными дополнениями будут комплектоваться автомобили Ford Focus начиная с 1 августа 2013 года.
Принцип действия системы автоматического торможения
Система Active City Stop работает на классической схеме радара. В данном случае в качестве излучающего элемента выступает лазер. Луч фокусируется впереди машины на определенном расстоянии. Специальный датчики улавливают отраженный сигнал и преобразуют его в электронный код, который обрабатывается бортовым компьютером автомобиля. В это же время система собирает данные о скорости движения автомобиля и оценивает примерный тормозной путь. Проведя некоторые вычисления, принимается решение, стоит ли включить автоматическое торможение или нет. Как утверждают инженеры компании Ford, комплекс позволяет 100 % предотвратить аварии при движении машины со скоростью в 15 км/ч и минимизировать последствия столкновения при ударе на скорости в 30 км/ч.
Казалось бы, есть ли толк в подобных дополнениях, если в теории человек и сам может достаточно быстро среагировать, но другое дело на сколько быстро. Известно, что люди на принятие решения тратят в среднем от 0,1 до 0,3 секунды, однако не забывайте, что эти данные верны если водитель не испытывает усталости, опьянения, недомогания, либо же просто плохо видит происходящую спереди обстановку. Соответственно, риск возникновения ДТП значительно увеличивается. В то же время система автоматического торможения Active City Stop сканирует ситуацию со скоростью 1/50 секунды плюс ещё столько же уходит на принятие решения. Итого получается, что машинный интеллект превосходит человеческий как минимум в 5 раз по быстродействию.
Работа системы Active City Stop в режиме реального времени

Как уже отмечалось ранее, электронно-аналитический комплекс ACS предназначен для эксплуатации в скоростном диапазоне от 15 до 30 км/ч. Для контроля дорожной ситуации свыше данного диапазона компанией Ford разработана другая система — Forward Alert.
Active City-Stop отлично справляется со своей задачей в оговоренном режиме, однако при работе водителю не поступают какие-нибудь предупредительные сигналы: ни звуковые, ни световые, ни тактильные — в виде вибрации руля. Если же разогнаться до скорости в 40 км/ч и направиться к неподвижно расположенному препятствию, система не среагирует, даже если вы отпустите педаль акселератора. Однако, если вы приблизитесь к движущемуся с такой же скоростью автомобилю на опасно близкое расстояние, то алгоритм подаст сначала предупредительный сигнал водителю, а позже задействует торможение в пол силы.
Видео, как работает система автоматического торможения (ACS) на автомобиле Ford Kuga и Focus:

Так как Active City-Stop опирается в своей работе на меньшее число данных чем человек и не обладает таким же совершенным алгоритмом обработки, то иногда комплекс работает неправильно. К примеру, стандартная ситуация: Вы направляетесь к повороту. Спереди едет автомобиль и начинает маневр. Дистанция между вами сокращается и система ACS думает, что опасность столкновения возросла чрезмерно и дает команду на торможение. На самом деле никакой опасности в реальности нет. Даже если вы и продолжите движение с прежней скоростью, то по всей видимости к следующему моменту полоса спереди уже будет свободна.
Ещё одна неоднозначная ситуация возникает тогда, тогда спереди вас маневрирует автомобиль на низких скоростях. Здесь тоже могут быть ложные срабатывания. Так же добавим, что для надежной работы системы требуется поддерживать в чистоте как и саму линзу лазера, так и датчики, установленные в передней части.
Вообще, официально комплектовать машины от Форда системой Active City Stop для жителей России не предполагалось. Представители ссылались на что у нас мол многие авто ездят с грязными номерными знаками и фонарями, а радар комплекса как раз и ориентируется на эти элементы. В теории это усложняло работу системы, но на самом деле более логичным представляется то, что в крупных городах люди привыкли ездить вплотную друг к другу ввиду ограниченного пространства. Поэтому, система автоматического торможения в подобной обстановке постоянно бы тормозила и мешала бы продолжать движение.
Стоимость системы автоматического торможения
Хотя производители уверяют, что заказать установку подобного дополнения можно всего лишь за 500 $, но на самом деле Active City-Stop входит в комплект адаптивного круиз-контроля, который сам оценивается в 1320 $. Т.е. в итоге придется заплатить почти 2000 долларов, а конкретно — 1820 $. Цена за данное устройство, как видите, не малая, а вот какой толк от него будет, неизвестно. Заказать установку Active City-Stop можно будет только в комплектациях Focus Titanium, Trend Sport (например — Ford Focus ST), а так же Sport Limited Edition.
На лобовике, рядом с зеркалом. А в стекле есть «дырка» под него? Как бы не пришлось менять лобовик…
Эта шляпа по деньгам интересна с завода — тогда и лобовик сразу правильный…
Я так понимаю — Форд поделил систему предупреждения столкновений на 2 части:
— оптическая — ACS — работает до 30 км/ч
— радарно-оптическая (Collision Prevention Assist) — работает за счет радара и камеры на зеркале от 30 и до какого-то лимита (ограниченного чувствительностью радара).
Что сработало (если сложилось) — понятно из скорости.
Сделать фото снаружи могу хоть сегодня, но оно тут уже есть и это только для сравнения — какие прорези в шелкографии есть на лобовике. Изнутри можем сделать фото с Андреем, когда будем менять зеркало (сейчас твое перешитое стоит), но в конце недели.
Пластик, прикрывающий шалабошки на стекле (камера, лидар и датчик) у нас с Андреем разный по размерам и конструкции (у него нет ACS) — то есть его тоже придется менять.
Подумай, есть ли в этом смысл, если светит замена лобовика, который стоит, как чугунный мост…
Изменено 17 июля, 2017 пользователем alexeySTP
Производители автомобилей Ford постоянно
совершенствуют свою продукцию и оставляют за собой право на внесение
изменений в технические характеристики, спецификации, цвета, цены моделей,
комплектации, опции и т.п., представленные на данном сайте без
предварительного уведомления. Обращаем Ваше внимание на то, что все
представленные на сайте изображения и информация, касающаяся комплектаций,
технических характеристик, цветовых сочетаний, опций или аксессуаров, а
также стоимости автомобилей и сервисного обслуживания носит информационный
характер, может не соответствовать последним российским спецификациям, и ни
при каких условиях не является публичной офертой, определяемой положениями
Статьи 437 (2) Гражданского кодекса Российской Федерации. Для получения
подробной информации об автомобилях, пожалуйста, обращайтесь к ближайшему
официальному дилеру Ford.
Система автоторможения, как оно? [К2]
Думаю заказывать ее или нет? как себя ведет, можно ли ее отключить?
Конечно удобно, если в городе зазевался.
А если например по трассе зимой сзади тебе автобус шумахерский дышит в попу, и тут собака под колеса и автоматом торможение…..
- dxf
- Новорожденный
- Заслуженная репутация: 0

- Сообщения: 2
- Благодарил (а): 0 раз.
- Поблагодарили: 0 раз.
- Моя машина: Alfa Romeo
Re: Система автоторможения, как оно?
#2 15 мар 2013, 10:35
dxf
Система работает только на скорости до 30 км/ч. Опробовать не получилось, скорей всего это сродни последнему патрону в обойме.
На примере FE5 у меня там реализовано немного по другому. Стоит адаптивный круиз при скорости до 26 км/ч машина будет соблюдать дистанцию до впереди идущей, дистанцию лучше выставлять побольше, ну так на всякий случай. Так вот торможение происходит гораздо эффективней последующего разгона, но полностью машину КК не остановит. То есть если на приличной скорости необходимо будет именно экстренное торможение «тапкой в пол» то в таком случае система начнет оттормаживать, сработает звуковое и визуальное оповещение, и тогда уже водителю самому останется надавить на педаль.
Как срабатывает система на Kuga II и на сколько она эффективна сказать не могу, но на мой взгляд на FE5 это реализовано лучше, так как наедятся на экстренную остановку за счет системы или быть оповещенным о необходимости такой остановки — по мне 2-й вариант надежней.
- Соболев
- Banned
- Заслуженная репутация: 35

- Сообщения: 4949
- Фото: 70
- Благодарил (а): 444 раз.
- Поблагодарили: 2166 раз.
- Моя машина: Ford
- Город: Москва
- Моя группа: Москва
Re: Система автоторможения, как оно?
#3 15 мар 2013, 11:02
Соболев
Как там учат в автошколе, есть еще среднее время реакции водителя, которое равно 1 сек.
То есть разница между первым и вторым вариантом как раз эта 1 секунда.
При скорости 30 км/ч за 1 секунду автомобиль проезжает 8,3 м (почти 2 корпуса автомобиля), вопрос только насколько интенсивно начнется плавное оттормаживание
-
- Konko
- Выпускник
- Заслуженная репутация: 16

- Сообщения: 90
- Благодарил (а): 28 раз.
- Поблагодарили: 19 раз.
- Моя машина: Ford Kuga 2wd TDCi 140hp МКПП
- Прошлое авто: Ford Mondeo
- Город: Норильск
-
- Профиль
- ICQ
Re: Система автоторможения, как оно?
#4 15 мар 2013, 11:16
Konko
Поясню немного.
Вот что об ASC пишет Ford
Система Active City Stop использует датчик, расположенный в верхней части лобового стекла в месте крепления зеркала заднего вида. На скорости до 30 км/ч система отслеживает расстояние до движущегося впереди автомобиля и в случае опасного сближения автоматически притормаживает автомобиль или полностью останавливает его, помогая избежать столкновения или снизить его последствия.
Вот как эта функция реализована на FE5
При серьезной опасности столкновения эта система за доли секунды поднимет давление в тормозной системе, подготавливая автомобиль к экстренному торможению.Работа системы предупреждения о возможных столкновениях* с функцией торможения реализована на основе сенсора, постоянно сканирующего дорогу впереди автомобиля. При возникновении аварийной ситуации система выведет на лобовое стекло визуальное предупреждение и подаст звуковой сигнал, при этом автоматически приведя тормозную систему в готовность к экстренному торможению.

То есть ASC остановит твой автомобиль только на скорости до 30 км/ч а система на FE5 будет работать в любом скоростном диапазоне, что согласись гораздо эффективней. Много ты в городе едешь со скоростью меньше 30 если ты не стоишь в пробке?
- Соболев
- Banned
- Заслуженная репутация: 35

- Сообщения: 4949
- Фото: 70
- Благодарил (а): 444 раз.
- Поблагодарили: 2166 раз.
- Моя машина: Ford
- Город: Москва
- Моя группа: Москва
Re: Система автоторможения, как оно?
#5 15 мар 2013, 12:12
Соболев
Исходя из официальных комплектаций, ASC может быть установлена ТОЛЬКО в пакете «Помощь водителю», который включает в себя и BLIS. Поскольку в своих отчетах о длительном тест-драйве ты упомянул, что ее (BLIS) не хватает и лучше не пожалеть денег на BLIS, то, соответственно, на тестируемой машине нет этого пакета, в том числе нет и ASC, правильно?

-
- German
- Бакалавр
- Заслуженная репутация: 170

- Сообщения: 231
- Фото: 0
- Откуда: Москва
- Благодарил (а): 458 раз.
- Поблагодарили: 357 раз.
- Моя машина: Land Rover
- Прошлое авто: Ford Kuga 136hp MT
- Город: Москва
Re: Система автоторможения, как оно?
#6 15 мар 2013, 12:29
German
Ну да, я как то не заострил на этом свое внимание.
Вот по доп системам то, что бы я хотел, и от чего смело можно отказаться (к сожалению конфигуратора на К2 наверное не будет)
BLIS — ставил бы однозначно.
Автопарковщика — нет, не для РФ система.
ASC — ну так как совместно с BLIS то да, но вообще в такой реализации нет.
- Соболев
- Banned
- Заслуженная репутация: 35

- Сообщения: 4949
- Фото: 70
- Благодарил (а): 444 раз.
- Поблагодарили: 2166 раз.
- Моя машина: Ford
- Город: Москва
- Моя группа: Москва
Re: Система автоторможения, как оно?
#7 15 мар 2013, 12:57
Соболев
Цитата с сайта
Новый Kuga оснащен передовой интеллектуальной системой безопасности (IPS), которая координирует работу целого ряда систем, защищая Вас и Ваших пассажиров.
Что имеется ввиду? Просто подушки или что-то похожее на систему в FE5?

-
- German
- Бакалавр
- Заслуженная репутация: 170

- Сообщения: 231
- Фото: 0
- Откуда: Москва
- Благодарил (а): 458 раз.
- Поблагодарили: 357 раз.
- Моя машина: Land Rover
- Прошлое авто: Ford Kuga 136hp MT
- Город: Москва
Re: Система автоторможения, как оно?
#8 15 мар 2013, 13:05
German
по IPS больше сказано в разделе С-max. Я так понимаю К2 дополнительно оборудован подушкой для защиты коленей водителя, та же системе ASC тоже сюда входит. IPS это общее название для всех систем обеспечивающих безопастность.
- Соболев
- Banned
- Заслуженная репутация: 35

- Сообщения: 4949
- Фото: 70
- Благодарил (а): 444 раз.
- Поблагодарили: 2166 раз.
- Моя машина: Ford
- Город: Москва
- Моя группа: Москва
Система Active City Stop- система автоторможения
#9 25 мар 2013, 07:11
как себя ведет, можно ли ее отключить?
Конечно удобно, если в городе зазевался.
А если например по трассе зимой сзади тебе автобус шумахерский дышит в попу, и тут собака под колеса и автоматом торможение…..
-
- Boge
- Автослесарь KUGA2
- Заслуженная репутация: 483

- Сообщения: 1711
- Фото: 8
- Откуда: Ярославль
- Благодарил (а): 249 раз.
- Поблагодарили: 511 раз.
- Моя машина: Chevrolet
- Прошлое авто: Ford Kuga 4wd TDCi 140hp PS
- Город: Ярославль
- Моя группа: Сибирь
-
- Профиль
- ICQ
- Фотоальбом
Re: Система Active City Stop- система автоторможения
#10 27 мар 2013, 19:13
В брошюре по второй куге написано,что систему автоторможения можно заказать с пакетом Городской плюс. А на самом деле как? Никто не в курсе?
- Mushroom
- Ясельная группа
- Заслуженная репутация: 0

- Сообщения: 9
- Откуда: Москва
- Благодарил (а): 10 раз.
- Поблагодарили: 3 раз.
- Моя машина: FK2 1.6 л (150 л.с.) EcoBoost AКП 4WD
- Прошлое авто: Octavia 1.6
- Город: Москва
Re: Система Active City Stop- система автоторможения
#11 13 май 2013, 21:58
Mushroom писал(а):В брошюре по второй куге написано,что систему автоторможения можно заказать с пакетом Городской плюс. А на самом деле как? Никто не в курсе?
Да уж, нестыковочка! В брошюре эта функция идет в пакете Городской плюс, а в конфигураторе уже только в пакете Помощь водителю. 
- Mess10
- Ясельная группа
- Заслуженная репутация: 5

- Сообщения: 9
- Благодарил (а): 0 раз.
- Поблагодарили: 1 раз.
Re: Система автоторможения, как оно? [К2]
#12 20 авг 2013, 16:12
Вчера опробовал систему эту экстренного торможения! И я вам скажу — приятно удивился! Немного отвлёкся, а такчка впереди меня (двигались в пробке) резко затормозила! Ну и моя К2 внезапно (для меня) остановилась! Звук такой, как при сработке IVD/ESP на заносе! И аварийка включилась, а на дисплее загорелась инфа о том, что сработала система экстр.торможения! В общем — я доволен! Всем советую!!!
-
- NightKillaz
- Ясельная группа
- Заслуженная репутация: 5

- Сообщения: 14
- Благодарил (а): 1 раз.
- Поблагодарили: 16 раз.
- Моя машина: FK2 2.0 л (140 л.с.) Duratorq TDCi AКП PowerShift 4WD
- Город: Петрозаводск
Re: Система автоторможения, как оно? [К2]
#13 14 фев 2014, 22:07
как узнать, есть ли у меня такая система? Опытным путем ссыкатно
пакетов не знаю брал, что в наличии, вторичные признаки системы имеются? видеокамера, датчики и т. п.?
-
- Alex83
- Выпускник
- Заслуженная репутация: 5

- Сообщения: 75
- Фото: 0
- Откуда: Санкт Петербург
- Благодарил (а): 34 раз.
- Поблагодарили: 12 раз.
- Моя машина: FK2 2.0 л (180 л.с.) Duratorq TDCi AКП PowerShift
- Прошлое авто: tiguan TDI
- Город: Санкт-Петербург
Re: Система автоторможения, как оно? [К2]
#14 14 фев 2014, 22:22
Alex83
Форд етис поможет. Все равно ведь не успокоишься. 
-
- DbIMA
- Доктор автомобильных наук
- Заслуженная репутация: 176

- Сообщения: 1484
- Откуда: Новая Москва, ТиНАО
- Благодарил (а): 347 раз.
- Поблагодарили: 476 раз.
- Моя машина: KIA
- Прошлое авто: FF1 FF2 FK1 4WD TDCI 136 opel mokka
- Город: Москва
Re: Система автоторможения, как оно? [К2]
#15 14 фев 2014, 22:49
Alex83
Для начала надо активировать на компе.
Постааь коробку накинь жилет с отражающими полосами на уровне бампера. И вперед 30 км.час.
Останавливается в сантиметрах 15. Но не всегда…. 
-
- aleks-man
- Доктор автомобильных наук
- Заслуженная репутация: 130

- Сообщения: 1132
- Благодарил (а): 282 раз.
- Поблагодарили: 311 раз.
- Моя машина: FK2 2.0 л (140 л.с.) Duratorq TDCi AКП PowerShift 4WD
- Город: Москва
Re: Система автоторможения, как оно? [К2]
#16 14 фев 2014, 23:16
Видел как проверяли такую систему на volvo. Ставили специальное надувное препятствие чем-то фиксировали к земле и экспериментировали. Три раза остановилась, а на четвертый нет, фиксаторы оторвались а тут и ветерок хороший…. Короче долго они ловили свое припятствие….
- Женя33
- Бакалавр
- Заслуженная репутация: 16

- Сообщения: 274
- Благодарил (а): 10 раз.
- Поблагодарили: 60 раз.
- Моя машина: Ford Kuga 4wd TDCi 140hp PS
- Прошлое авто: FF2 1.8 tdci 115hp
- Город: Москва
Re: Система автоторможения, как оно?
#17 14 фев 2014, 23:31
Соболев писал(а):German
Вот по доп системам то, что бы я хотел, и от чего смело можно отказаться (к сожалению конфигуратора на К2 наверное не будет)
…Автопарковщика — нет, не для РФ система.
Ну тут не все так однозначно. Конечно на дороге с плотным движением функция бесполезна — проехав «карман», задом парковщик уже сдать к нему (как предусмотрено алгоритмом парковки) не сможет — тебя уже сзади припрет машина, которая не будет ждать, пока ты проедешь место, потом задом к нему вернешься…
А вот во дворе я сегодня замечательно припарковался в узком месте, там, где сам бы побоялся, т.к. не был уверен, что влезу. Ну или бы дольше точно крутился бы. А с парковщиком — нажал кнопку и он мне авто загнал «в лузу» весьма быстро 
- Colonel Mike
- Студент
- Заслуженная репутация: 15

- Сообщения: 174
- Благодарил (а): 10 раз.
- Поблагодарили: 28 раз.
- Моя машина: FK2 1.6 л (182 л.с.) EcoBoost AКП 4WD
- Город: Москва
Active City Stop [K2]
#18 15 май 2014, 18:08
Добрый день!
Есть кто с этой системой? У кого нить она реально работает?
В салоне показать отказались. На тесте таких нет. На вашей не будем. Сам ставь коробки и пробуй.
О коробки не тормозит. В настройках активирована. Обращаться по гарантии?
- nikbrava
- Ясельная группа
- Заслуженная репутация: 0

- Сообщения: 12
- Благодарил (а): 0 раз.
- Поблагодарили: 0 раз.
- Моя машина: FK2 1.6 л (182 л.с.) EcoBoost AКП 4WD
- Город: Москва
Re: Active City Stop [K2]
#19 15 май 2014, 18:55
она же сейчас не ставится вроде как, шла только на машинах с Валенсии. Соответственно могу предположить, что опыта ремонта с ней очень мало (если он вообще есть). Машина в зимнее время когда снег заваливал окно писала типа «датчик заблокирован система не работает»? (если писала то система работала, датчик отслеживал передвижение, если нет то на гарантию ехать). Возможно еще, что полная работоспособность системы будет с адаптивным круиз контролем (сама отслеживает расстояние до впереди идущего авто), который к нам не приехал. (если кто и есть с ним то я не слышал об этом. у меня простой круиз стоит). Вообще надо почитать еще про все это по подробней.
- Aleks
- Выпускник
- Заслуженная репутация: 0

- Сообщения: 93
- Откуда: г. Москва
- Благодарил (а): 10 раз.
- Поблагодарили: 12 раз.
- Моя машина: FK2 1.6 л (150 л.с.) EcoBoost AКП 4WD
Re: Active City Stop [K2]
#20 15 май 2014, 19:28
Добрый вечер! У меня стоит система предотвр.низкоскор.столкн.Active City Stop и я тоже не смог проверить её в действии!
При желании её устанавливают на автомобили нашей сборки! Читал где то что можно проверить эту систему установив на коробку номерной знак. Проверить на своём авто пока не успел так как только недавно забрал машину из ремонта. На следующей неделе буду проводить испытания! Постараюсь отснять видео!По официальной версии в РФ данная система не поставляется из за того что она работает на определении номерного знака и задних фонарей, которые по мнению FMC у нас очень загрязнены
- rvrrv
- Детский сад
- Заслуженная репутация: 0

- Сообщения: 28
- Откуда: Мурманская область город Полярный
- Благодарил (а): 5 раз.
- Поблагодарили: 1 раз.
- Моя машина: FK2 1.6 л (150 л.с.) EcoBoost AКП 4WD
- Прошлое авто: AUDI-80
- Город: Мурманск
-
- Профиль
- ICQ
Кто сейчас на конференции
Сейчас этот форум просматривают: нет зарегистрированных пользователей
Mission impossible — но не для русских😅👌
Пост не маленький, расскажу в подробностях и с цветными картинками🖼🖼🖼кому интересна эта тема — скучно не будет♨️♨️♨️
Итак, начнем с прошлого и еще раз что это такое.
Система автоматического торможения — это передовая технология, которая призвана помочь Вам избежать столкновений или как минимум снизить ущерб от них. Обнаружив, что движущийся впереди автомобиль внезапно остановился, а Ваша скорость не превышает 30 км/ч (для Fiesta), 40 км/ч (для Mondeo), 50 км/ч (для Focus и Kuga), система автоматически активирует экстренное торможение. Инновационная система Active City Stop была удостоена награды за безопасность Euro NCAP Advanced Award.
Принцип работы данной системы описан в Руководстве пользователя к Вашему авто🚘
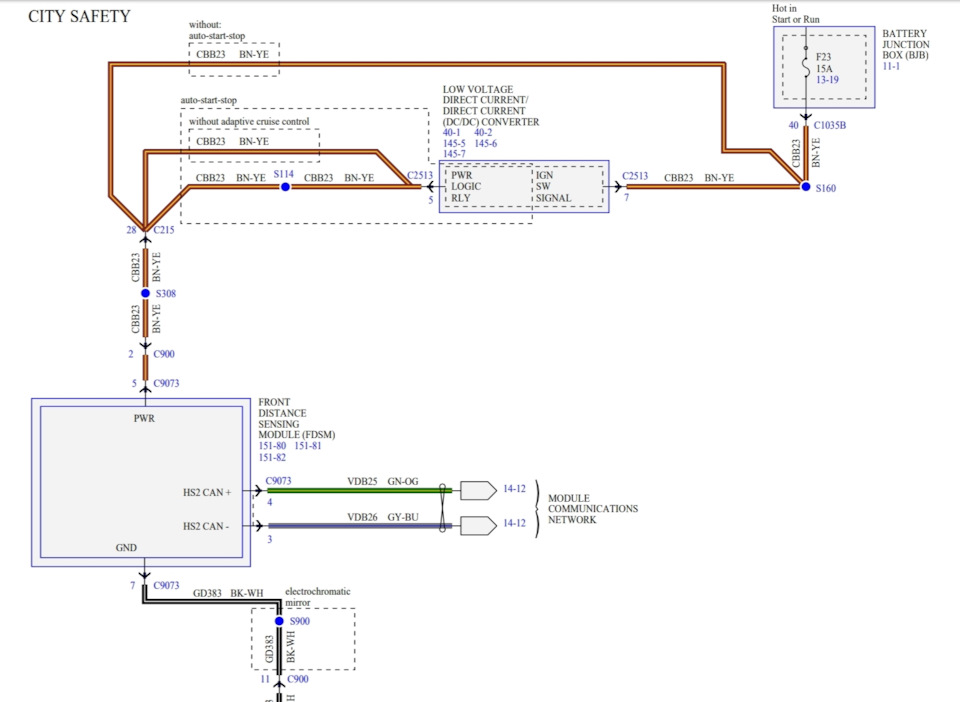
А теперь — к делу! Откапываем «мочалку» из проводов, берем нужные пины, разъем Лидара и мастерим проводку. Варианта два:
1. Подключить все в жгуте салонного зеркала заднего вида.
2. Разобрать правую переднюю стойку, снять перчаточный ящик «бардачок» и подключиться в разъёме — что я и сделал.

Zoom
Ну и конечно же начнем со схемы подключения

Zoom
Разъем С900

Zoom
Допиновываем разъем и подключаемся к CAN
Летим в бокс… Как уже писал в прошлом посте по подготовке к установке этого чуда, требуется замена задних датчиков ABS. Мне попался хороший вариант на авторазборе и за приятный ценник.

Zoom
DG9C-2C190-DE
Машину на подъемник и меняем датчики.
⚠️⚠️⚠️ВНИМАНИЕ⚠️⚠️⚠️Замена осуществляется комплексно с установкой Лидара — РАЗОМ! Если поменяете датчики без подключения Лидара, будет висеть ошибка о несовместимости оборудования, что может повлиять на работу многих систем.

Zoom
Датчик прикручен одним болтом под Звёздочку
После замены видим ошибки ABS на приборке, что не удивительно! Вооружаемся ноутбуком и начинаем все это добро дружить друг с другом. Прописать необходимо 3 блока:
1. ABS
2. BCM
3. IPC

1. ECUConfiguration — DE01: LS CMS — Active

2. Body Features 05 — DE0C: ForwardCollisionWarning — 16

Zoom
3. City Safety — Включено
После всех манипуляций сносим ошибки и приступаем к установке Лидара.
Так как я ранее устанавливал зеркало с автодальним и датчик дождя без замены лобовика — шелкография нанесена у меня праймером и это я просто переделаю уже по натоптанной♻️♻️♻️

Zoom
Необходимый реквизит

Zoom
Небольшой лайфхак с дюбелем😀😀😀

Zoom
Контур готов

Zoom
Размечаем все области

Zoom
Делаем трафарет
Всё бы хорошо…но пришла «Лень»🤣🤣🤣

Zoom
Так я и прокатался около месяца🤦♂️🤷♂️

Zoom
Собрался силами, срезал датчик дождя и не без труда при помощи того же лезвия от строительного ножа счистил часть праймера

Zoom
Клеим трафарет

Zoom
Красим все праймером

Zoom
Так кстати выглядит разъем Лидара

Zoom
Ну и через камеру телефона можно проверить его на работоспособность

Zoom
Собираем все до кучи и приклеиваем на стекольный герметик, кстати, докрасил аппендикс антирадара аккурат под кожух, и также крепеж на герметик, получилось неплохо
Дальше возникла проблема…🤔🤔🤔
Так как кожух крепится на клипсах, а площадки под эти клипсы нет на лобовом, пришлось извращаться.

Zoom
В 4-х местах приклеил на герметик металлические планки

Zoom
Вот что получилось, все равно этого не видно с салона

Zoom
Зафиксировал кожух

Zoom
Ну и вот он итоговый вариант. Со стороны салона всего проделанного колхоза не видно

Zoom
Да и со стороны улицы тоже

Zoom
Появился пункт в БК
Все закончилось. Если не растягивать и выделить время, за пару дней легко можно управиться. Дальше готовлю автопарковку, вот там будет веселье с заменой ВСМ, т.к. у меня их нет от слова Совсем😁😁😁
Отдельное ОГРОМНЕЙШЕЕ СПАСИБО за схему, лидар, кожух, разъем и конечно же помощь в конфигурации оборудования хочу сказать fordelectronics…Андрей…респект🤟🤟🤟🤝🤝🤝
Так же спасибо товарищам, которых я донимал албанскими вопросами Андрюха eXcuMeP, Димон Dimitrius27, Саня predatorvii ссорян пасаны😁🤝🤝🤝

Система помощи при парковке — В
комплектацию автомобиля входит:
Передняя и задняя системы
помощи при парковке…………………….166
Камера заднего обзора
Принципы работы……………………………….168
Камера заднего вида…………………………168
Активная система помощи
при парковке
Принципы работы…………………………………171
Использование активной системы
помощи при парковке………………………171
Управление скоростью
Принципы работы………………………………..174
Использование системы
круиз—контроля…………………………………174
Система адаптивного круиз—
контроля (ACC)
Принципы работы………………………………..176
Использование системы адаптивного
круиз—контроля…………………………………178
Функция контроля дистанции до
впереди идущего автомобиля с
регулировкой скорости
движения…………………………………………….181
Ограничитель скорости
Принципы работы……………………………….183
Использование ограничителя
скорости……………………………………………..183
Предупреждение
водителя
Принципы работы……………………………….185
Использование предупреждения
водителя…………………………………………….185
Предупреждение об уходе с
полосы
Принципы работы………………………………..187
Использование предупреждения об
уходе с полосы………………………………….188
Система контроля за
соблюдением дорожной
разметки
Принципы работы……………………………….190
Использование системы контроля за
соблюдением дорожной
разметки……………………………………………..191
Active City Stop
Принципы работы……………………………….193
Использование Active City Stop — 1.0L
EcoBoost™/1.6L/2.0L Duratec-HE
(MI4), 1.4L Дизель/2.0L Дизель……194
Использование Active City Stop — 2.0L
EcoBoost™…………………………………………194
Системы помощи
водителю
Система распознавания дорожных
знаков………………………………………………….195
Перевозка груза
Общая информация…………………………..197
Точки крепления багажа……………………197
Сетки для удержания грузов……………197
Крышки багажного отделения……….199
Верхние багажники крыши и
кронштейны для различных
грузов………………………………………………….199
Приспособление для защиты
домашних животных………………………201
Буксировка
Буксировка прицепа — 1.0L EcoBoost™/
1.6L/2.0L Duratec-HE (MI4), 1.4L
Дизель/2.0L Дизель………………………204
4
Focus (CB8) Vehicles Built From: 03-03-2014, Vehicles Built Up To: 31-12-2014, CG3568ruRUS ruRUS, Edition date: 03/2014, None
Содержание
